我们非常重视您的个人隐私,当您访问我们的网站时,请同意使用的所有cookie。有关个人数据处理的更多信息可访问《隐私政策》
产品特性
• 电源电压范围:4.6至26V (最大耐压30V)
• 拉/灌驱动电流:5A(峰值)
• 每个通道输出都有独立使能引脚
• 输入、使能引脚支持负压低至-10V
• CMOS/TTL兼容逻辑输入
• 输出引脚支持5A反向灌电流,无需额外保护电路
• 工作温度范围:-40℃~125℃
应用场景
• 电源系统
• 工业电机、变频
• 光伏、储能
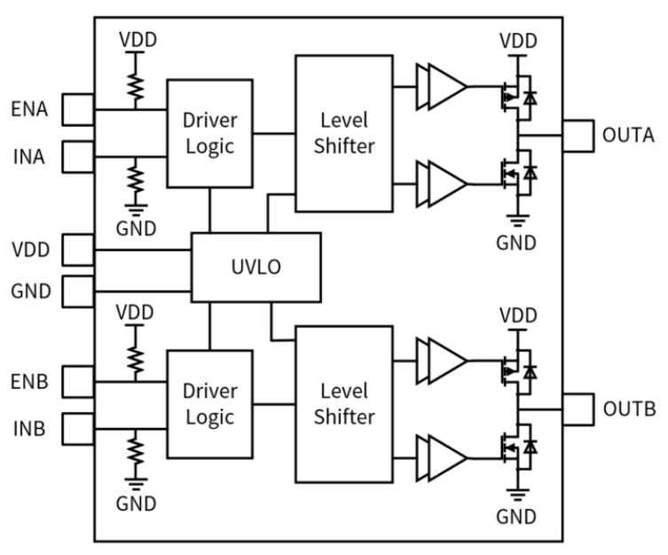
功能框图

相关资源

如您需要咨询产品更多信息,请点击“联系我们”,我们将尽快回复您!