NOVOSENSEは、SiC、IGBT及びMOSFETなどのパワーデバイス対応で、絶縁アナログサンプリング機能を備えたスマート絶縁ドライブのNSI67X0シリーズを発表しました。車載グレード(AEC-Q100規格)と産業グレードの両方を満足させ、新エネルギー車、エアコン、電源、太陽光発電などの分野で幅広く使用できます。
当該絶縁型ゲートドライバシリーズは、絶縁型アナログのPWMサンプリングへのセンサーをシングルチャンネルの絶縁型サンプリングチップに相当し、温度検出や電圧検出に使用できます。この設計は、ドライブの汎用性をさらに高め、システム設計を簡素化し、システムサイズを効果的に縮小し、全体的なコストを削減します。

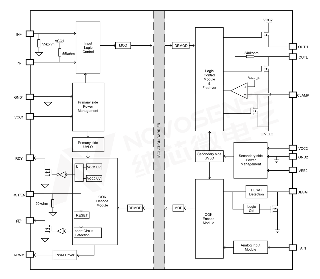
高電圧ドライブ&高コモンモードノイズ抑制能力
NSI67X0シリーズは、最大2121Vの直流電圧で動作するIGBTを駆動するために設計された、高度な保護機能、優れた動的性能、そして卓越した堅牢性を備えた製品です。このシリーズは、SiO2容量結合技術を採用しており、入力側と出力側を電気的に絶縁することで、高コモンモードノイズ抑制能力(CMTI>150kV/μs)を実現する同時に、デバイス間のオフセットを最小限に抑え、業界トップレベルの性能を実現しています。
強力な出力能力&小型パッケージ
NSI67X0シリーズは、強力な出力能力を備えており、±10Aの駆動電流をサポートし、最大出力駆動電圧は36Vに達します。これは、同等の製品の多くを大きく上回る性能です。また、SOW16パッケージを採用することで小型化を実現しつつ、8mmを超える耐電圧距離を確保し、安全性をさらに高めています。
包括的な保護機能と車載規格認証
このシリーズは、高速過電流保護、短絡保護、フォルトソフトターンオフ、4.5Aミラークランプ、低電圧保護など、包括的な保護機能を備えており、IGBTなどのパワーデバイスを駆動するための信頼性の高い選択肢です。全シリーズの製品は車載用AEC-Q100規格に準拠しており、新エネルギー車、産業用制御、エネルギー管理などの幅広い分野で活用できます。
NSI67X0シリーズの製品特性
SiC及びIGBT対応可能の2121Vpkのスマート絶縁ゲートドライバー
高CMTI:150kV/μs
入力側電源電圧:3V~5.5V
ドライバー側電源電圧:32V
レールツーレール出力
ピークプルイン電流:±10A
一般的な伝搬遅延:90ns
作動環境温度:-40℃ ~ 125℃
車載用AEC-Q100 規格に準拠
RoHS対応パッケージタイプ:SOW16、沿面距離>8mm

NSI67X0シリーズアプリケーションダイヤグラム
保護機能
高速過電流及び短絡保護で、DESATスレッショルド電圧9V、6.5V、OCスレッショルド電圧0.7Vを選択可能
故障時のソフトターンオフ機能、ソフトターンオフ電流400mA、900mAを選択可能
ミラークランプ機能、クランプ電流4.5A
高電圧側も低電圧側も独立した電源電圧低下保護機能UVLOを備えている
故障警告(FLT / RDYピン表示)
絶縁アナログサンプリング機能
絶縁アナログサンプリング機能
AIN入力電圧範囲:0.2V~4.7V
APWM 出力デューティ比:96%~6
デューティ比精度:1.6%
APWM出力周波数:10kHz
AIN 内蔵定電流源出力が選択可能
安全要件関連認証
UL認証:1分間 5700Vrms
VDE認証:DIN VDE V 0884-11:2017-01
SA 認証:CSA コンポーネント通知 5A 認定
CQC 認証:GB4943.1-2011 に準拠
NSI67X0シリーズの高精度温度サンプリング実現の原理説明

隔離型アナログ-PWM変換サンプリング機能
NSI67X0のAIN(アナログ入力)インターフェースは、内蔵の200μAの電流源を備えています。この電流源に外部のNTCを接続すると電圧降下が発生します。復調されて10kHzのPWM信号が絶縁出力されます。このPWM信号はプロセッサーMCUによって取り込まれ、デューティ比を計算することで対応する電圧値と温度が得ることができます。
AIN電圧が0.2V~4.7Vの範囲にある場合、AIN入力電圧とAPWM出力のデューティ比は線形関係です。AIN電圧をPWM信号に変換すると、PWMのデューティ比は次の式に従う:
D (%) = 100 - 20 * VIN
つまり、0.2V~4.7VのAIN電圧は、96%~6%のPWMデューティ比に相当します。
NSI67X0シリーズ一覧表
