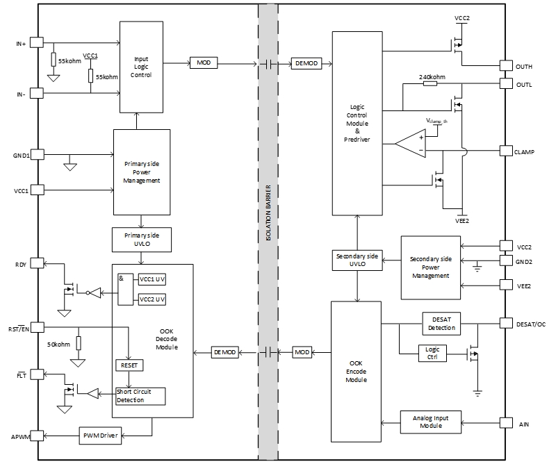
NSI67x0 is a single-channel smart isolated gate driver designed to drive IGBT, power MOSFET and SiC MOSFET and other power devices in many applications and provide protection for their safe operation. It offers separate output to control the rising and falling duration respectively, it supports rail-to-rail output, and can provide a maximum 10A/10A source and sink current capability. NSI67x0 can provide protection functions, such as UVLO, Miller Clamp, DESAT protection, soft turnoff and when short circuit fault or undervoltage occurs, the fault can be indicated through a separate pin.
NSI67x0 integrates Isolated Analog Sensing, which can be utilized for easier temperature or voltage sensing, further increasing the drivers' versatility and simplifying the system design effort, size and cost. It supports minimum common mode transient immunity (CMTI) of 150kV/μs to improve system robustness. The absolute max rating of the driver side is 36V, and the input side accepts supply voltages from 3V to 5.5V. NSI67x0 features large drive current, wide power supply voltage range, and high CMTI, and is designed with excellent protection. It is suitable for switching power supply systems and inverters which require high reliability, high power density and high efficieny.
Product Features
• Smart Isolated Gate Driver Integrated with Isolated Analog Sensing
• Input side power supply voltage: 3V~5.5V
• Driver side power supply voltage: Absolute max rating 38V, with UVLO
• Peak source and sink current 10A/10A
• High CMTI: 150kV/μs
• Typical propagation delay: 80ns
• Maximum pulse width distortion: 30ns
• Minimum receivable input pulse width: 40ns
• Rail-to-rail output, with separate output as an option
• Isolated analog sensor with PWM output for
-Temperature sensing with NTC, PTC or thermal diode
-High voltage DC-Link or phase voltage
• Protection mode:
-Miller Clamp 5.7A
-DESAT protection with a threshold of 9V or 6.5V options
-OC protection with a threshold of 0.7V
-Support soft turnoff at a current of 420mA, 900mA options
-Support fault reporting, reset or enable
• Operating temperature: -40°C~125°C
Safety Certificate
• UL recognition: 5700VRMS
• DIN EN IEC 60747-17(VDE 0884-17)
• CSA component notice 5A
• CQC certification per GB4943.1
Application
• EV electric drive system
• Air conditioning compressor
• DC-AC solar inverter
• Motor driver
• UPS and battery charger
Functional Block Diagram


For more product information, please contact us.