The NSR2240x-Q1 series are adjustable output non-synchronous controllers for switching regulators with low-side N-channel MOSFET. The devices adopt peak current mode control with internal slope compensation. They are suitable for topologies requiring a low-side MOSFET, such as boost, flyback, SEPIC, etc.
The NSR2240x-Q1 series include built-in features such as internal soft-start, under-voltage lockout, cycle-by-cycle current limiting, short-circuit protection, and thermal shutdown. They are also optimized for EMC performance with internal spread-spectrum. MSOP8 and MSOP10 packages are available.
Product Features
• AEC-Q100 Grade 1 qualified
• Wide 4V to 44V input range
• Internal push-pull driver with 1A peak current capability
• Reference voltage:
- 1.26V (NSR22401-Q1)
- 1.275V (NSR22402-Q1)
• Peak current mode with internal slope compensation
• Internal soft-start, adjustable under-voltage lockout (NSR22402-Q1)
• Integrated protection: cycle-by-cycle current limit, short-circuit, over-voltage, over-temperature protection
• RoHS-compliant package
Application
• Automotive On-board Charger
• Automotive DC-DC Converter
• Automotive Traction Inverter
• Automotive Thermal Management (PTC, E-compressor)
• Automotive Start-stop Applications
• Automotive ADAS Driver Information
• Boost for Audio Amplifiers
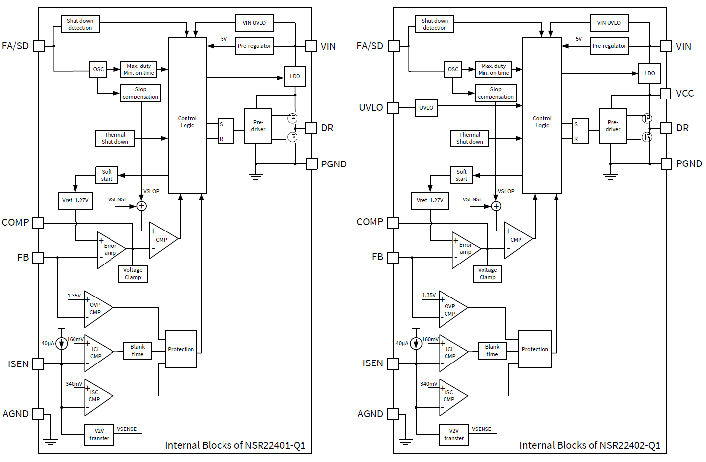
Functional Block Diagram

All Resources

For more product information, please contact us.