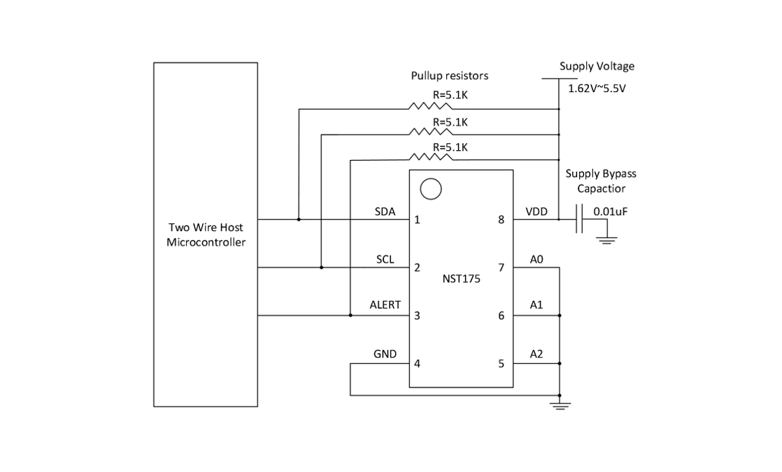
The NST175 is a low-power, high-precision digital temperature sensor ideal as an alternative to negative temperature coefficient (NTC) and positive temperature coefficient (PTC) thermistors. The device provides typical accuracy of ±0.5 °C without calibration or signal adjustment from external components. NST175 temperature sensor is a highly linear product, which can sense the temperature without complex calculation or lookup. The on-chip 12-bit analog-to-digital converter (ADC) provides resolution as low as 0.0625 ° C. The NST175 is compatible with SMBus and I2C, allowing a maximum of 27 devices to be connected to one BUS and supporting the SMBus alarm function. The NST175 has a rated operating range of -40 °C to 125 °C and is ideal for extended temperature measurement in a wide range of communications, computing, consumer products, Internet of Things, environmental, industrial and instrumentation applications. NST175 comes in industry-qualified MSOP8 and SOP8 packages.
Product Features
• Maintain high accuracy in full temperature range:
- -20℃~ 85℃: ±0.5℃ (typical)
- -55℃~-20℃: ±2℃ (max.)
- 85℃~125℃: ±2℃ (max.)
• Maximum resolution 0.0625℃, optional
• Up to 27 device addresses supported
• Wide supply voltage range: 1.62V to 5.5V
• Working current: 30μA (typical)
• Turn-off current: 0.1μA (typical)
• Digital port: compatible with SMBus, I2C
Application
• System temperature monitoring
• Computer peripherals overheating protection
• Laptop
• IoT application
• Communication device
• Power supply temperature monitoring
• Thermostat control
• Environmental monitoring, heating ventilation air conditioning (HVAC)
Functional Block Diagram


For more product information, please contact us.