Products

Products

Automotive Non-isolated Dual-channel Low-side Driver

NSD1026V is a dual-channel, high-speed gate driver , suitable for driving Si MOSFET, IGBT, GaN and SiC power devices. It can provide 5A source and 5A sink currents to drive various loads, and features fast rise and fall times. Both the input pins and enable pin of NSD1026V support -10V negative transient, enhancing the chip's robustness. The internal circuit provides an Under-Voltage Lockout (UVLO) function, and the hysteresis between the high and low thresholds of the input pins offers excellent noise immunity. The two channels of NSD1026V have extremely small propagation delay matching, making it applicable for applications requiring parallel configuration.

Product Features

• Power supply voltage range: 4.6 to 26V (abs. 30V)

• Source/sink drive current: 5A (peak)

• Each channel output has an independent enable pin

• Input and enable pins support negative transient as low as -10V

• CMOS/TTL compatible logic input

• Output pins support 5A reverse sink current, eliminating additional protection circuits

• Operating temperature range: -40℃ to 125℃

Application

• Power supply

• Motor driver

• Solar inverter, ESS

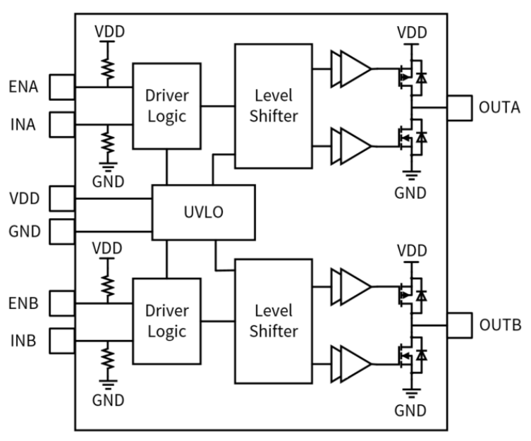
Functional Block Diagram

NSD1026V-Q1.png

For more product information, please contact us.