The NSi823xC is a cost-effective and highly reliable 3-channel digital isolator. This series is UL1577 safety certified and supports 5kVrms insulation withstanding voltage, while featuring low power consumption, high electromagnetic immunity and low radiation. With data rates up to 150Mbps and common-mode transient immunity (CMTI) up to 250kV/us, the devices are configured with default output levels in the event of input dropout and offer digital channel orientation. The wide supply voltage range of this family of devices allows for direct connection to most digital interfaces and easy level shifting. Excellent system-level EMC performance enhances reliability and stability in use.
Product Features
Isolation Withstanding Voltage 5000VRMs
VDE Enhanced Isolation Certification
Data rate DC to 150Mbps
Supply voltage range: 2.5~5.5V
High CMTI:250kV/μs
Chip-level ESD: HBM:+8kV
Enhanced system level ESD, EFT, surge resistance
Low propagation delay <15ns typical
Low power consumption:1.5mA/ch(1 Mbps)
Operating temperature: -40~125°C
RoHS compliant package: SOW16
Safety Certificate
UL1577 Certification: 1 minute 5kVrms
CQC Certification: Compliance with GB4943.1-2011
CSA Certification: Components comply with 5A
VDE Certification: DIN V VDE V 0884-11:2017-1
Application
Industrial Automation Systems
Isolated SPI, RS232, RS485
General Purpose Multi-Channel Isolation
Motor Control
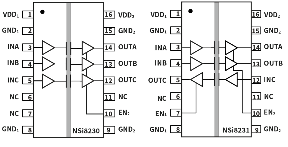
Functional Block Diagram

Related Resources

For more product information, please contact us.